Primat 2580 Wertschutztresor EN2 mit Elektronikschloss TULOX
Beschreibung
Merkmale: Primat 2580 Wertschutztresor EN2 mit Elektronikschloss TULOX
Unsere Bestseller Serie in der Sicherheitsklasse 2. Durch die hochwertige Verarbeitung bieten diese Tresore besten Einbruchschutz. Selbstverständlich sind die Tresore durch den VdS zertifiziert. (Dies ist das wichtigste Kriterium, um die angegebene Sicherheitsklasse auch garantieren zu können).
Die Tresore sind mit brandhemmenden Materialien nach DIN 4102 gefüllt, dies schützt Ihre Dokumente und Wertsachen vor Brandeinwirkung. Zusätzlich ist ein dichtschließender Feuerfalz am Gehäuse verbaut, welcher bei Hitzeeinwirkung den Tresor dicht verschließt. Die glatte Ummantelung bietet keine Angriffspunkte und schützt vor dem Abtragen des Tresors, eine extra Starke Verriegelung verhindert gewaltsames Aufbrechen.
Die Verwendung von innovativen Materialien ermöglichen maximale Sicherheit und optimale Innenraumausnutzung bei geringem Gewicht. Die Tresore sind bereits für eine Boden-Verankerung vorbereitet um noch bessere Sicherheit zu bieten. Optional liefern wir die Tresore gerne mit zusätzlichen Bohrungen.
Die Firma Primat ist ein renommierter Hersteller von Möbeltresoren, Waffenschränken, Wertschutzschränken bis hin zu Tresorräumen und feuersicheren Aktenschränken. Seit 1901 produziert Primat Wertbehältnisse und richtet sich dabei immer nach den geltenden Normen und Gesetzen und darüber hinaus. Ein starker Partner wenn es darum geht Ihre Werte bestmöglich abzusichern.
- Sicherheitsstufe 2 nach EN-1143-1
- Glatte Ummantelung ohne Angriffspunkte
- Starke Verriegelung verhindert ein gewaltsames Aufbrechen der Tür
- Drei-Wege-Verriegelung (40x10 mm Vierkantbolzen) (Modelle 2040 - 2395)
- Vier-Wege-Verriegelung (40 mm Rundbolzen) (Modelle 2580 - 2845)
- Die Scharniere ermöglichen eine Türöffnung von 205° für vollen Zugriff
- Tür und Gehäuse mehrwandig
- In Tür und Gehäuse hochtemperaturbeständige Füllung
- Dichtschließender Feuerfalz an Gehäuse und Tür
- Fachböden höhenverstellbar alle 50 mm (Modelle 2040 - 2395)
- Fachböden höhenverstellbar alle 25 mm (Modelle 2580 - 2845)
- Griff bei Standardausführung: 2040-2070: Klappgriff, 2095-2845: Hängegriff
- Beschläge ca. 45 mm vorstehend
- 1 Buchse für Verankerung im Boden und 1 Buchse (nicht durchgebohrt) für Verankerung in der Rückwand vorbereitet (Modell 2845: 2 Buchsen in Rückwand)
- Lackierung: RAL 7035 (Lichtgrau)
- Zertifizierungen: EN 1300 B, VdS-Klasse 2
- Notfunktion über Doppelbartschlüssel
- 6-stelliger Code
- Akustische und optische Bedienerunterstützung
- Unterspannungsanzeige
- 1 Master und 8 Benutzer
- Schnellöffnungscode
- Öffnungsverzögerung bis 99 Minuten
- Öffnungsbereitschaftszeit bis 19 Minuten
- Falschcodesperre nach 4 falschen Eingaben
- Maße (HxBxT): 131x80x32 mm (aufgesetzt)
- Bedienungsanleitung
| MODELL | Außenmaße in mm | Innenmaße in mm | Inhalt | Gewicht | ||||
|---|---|---|---|---|---|---|---|---|
| Höhe | Breite | Tiefe *1 | Höhe *2 | Breite | Tiefe *3 | (L) | (kg) | |
| 2040 | 430 | 460 | 450 | 334 | 380 | 305 | 39 | 137 |
| 2070 | 605 | 535 | 450 | 509 | 455 | 305 | 71 | 200 |
| 2095 | 790 | 535 | 450 | 694 | 455 | 305 | 96 | 247 |
| 2175 | 960 | 610 | 530 | 864 | 530 | 385 | 176 | 344 |
| 2215 | 1140 | 610 | 530 | 1044 | 530 | 385 | 213 | 397 |
| 2285 | 1495 | 610 | 530 | 1399 | 530 | 385 | 285 | 501 |
| 2395 | 1495 | 760 | 560 | 1399 | 680 | 415 | 395 | 599 |
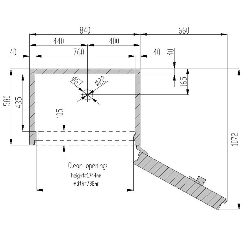
| 2580 | 1850 | 840 | 580 | 1754 | 760 | 435 | 580 | 768 |
| 2845 | 1850 | 1190 | 580 | 1754 | 1110 | 435 | 847 | 978 |
*1: Die bei den Außenmaßen angegebene Tiefe erhöht sich durch Griffarmatur und Schloss um 45 mm.
*2: Modelle 2070, 2095: Bei Auswahl der Schlossoption Fingerprint FinKey reduziert sich die Höhe des Tresor Inneren um ca. 30 mm.
*3: Modelle 2175 - 2845: Bei Auswahl der Schlossoption Fingerprint FinKey reduziert sich die Tiefe des Tresor Inneren um ca. 8 mm.
Lieferung und Montage
Alle Informationen zur Lieferung und Montage, sowie den eventuell anfallenden Kosten finden Sie
hier: Lieferung & Montage.
Sollten Sie noch Fragen haben kontaktieren Sie uns einfach unter unserer Kostenlosen Hotline oder unserem Kontaktformular: Beratung &
Service. Wir sind Ihnen gerne behilflich!
Hinweis: Wir arbeiten ausschließlich mit seriösen Spezialtransporteuren zusammen, sollten Sie also einen Sonderwunsch bei der Montage oder der Lieferung haben, treten Sie bitte einfach mit uns in Kontakt!
Merkmale
Bewertungen
Frage zum Artikel
Sie haben eine allgemeine Frage? Besuchen Sie doch einmal unsere Häufig gestellten Fragen
Verfügbare Größen
Alle Modelle dieser Produktreihe
Ähnliche Produkte
Weitere Tresore mit vergleichbaren Produkteigenschaften









