Beschreibung
Merkmale: Primat 5535 Wertschutztresor EN5 mit Schlüsselschloss und MZK
Unsere Bestseller Serie in der Sicherheitsklasse 5. Durch die hochwertige Verarbeitung bieten diese Tresore besten Einbruchschutz. Selbstverständlich sind die Tresore durch den VdS zertifiziert. (Dies ist das wichtigste Kriterium, um die angegebene Sicherheitsklasse auch garantieren zu können).
Die Tresore sind mit brandhemmenden Materialien nach DIN 4102 gefüllt, dies schützt Ihre Dokumente und Wertsachen vor Brandeinwirkung. Die glatte Ummantelung bietet keine Angriffspunkte und schützt vor dem Abtragen des Tresors, eine extra Starke Verriegelung verhindert gewaltsames Aufbrechen.
Die Verwendung von innovativen Materialien ermöglichen maximale Sicherheit und optimale Innenraumausnutzung bei geringem Gewicht. Die Tresore sind bereits für eine Boden-Verankerung vorbereitet um noch bessere Sicherheit zu bieten. Optional liefern wir die Tresore gerne mit zusätzlichen Bohrungen.
Die Firma Primat ist ein renommierter Hersteller von Möbeltresoren, Waffenschränken, Wertschutzschränken bis hin zu Tresorräumen und feuersicheren Aktenschränken. Seit 1901 produziert Primat Wertbehältnisse und richtet sich dabei immer nach den geltenden Normen und Gesetzen und darüber hinaus. Ein starker Partner wenn es darum geht Ihre Werte bestmöglich abzusichern.
- Sicherheitsstufe 5 nach EN-1143-1
- Glatte Ummantelung ohne Angriffspunkte
- Starke Verriegelung verhindert ein gewaltsames Aufbrechen der Tür
- Eine Hintergreifschiene an der Bandseite sorgt für zusätzlichen Einbruchschutz
- Zwei-Wege-Verriegelung (40 mm Rundbolzen)
- Die Scharniere ermöglichen eine Türöffnung von 205° für vollen Zugriff (Modelle 5100 - 5245)
- Türöffnung von 170° (Modelle 5280 - 5780)
- Tür und Gehäuse mehrwandig
- In Tür und Gehäuse hochtemperaturbeständige Füllung
- Fachböden höhenverstellbar alle 25 mm
- Griff bei Standardausführung: Hängegriff
- Beschläge ca. 45 mm vorstehend
- Vorrichtung für den Einbau einer Einbruchmeldeanlage (EMA)
- 2 Buchsen für Verankerung im Boden vorbereitet
- Lackierung: RAL 7035 (Lichtgrau)
- Zertifiziert nach EN 1300 B, ECB-S, VdS-Klasse 2, UL 2M
- 3 Kombinationsscheiben mit doppelter Federarmkupplung zur Übertragung höherer Drehmomente
- ca. 1 Million theoretische Verschiedenheiten
- Separate Umstell- und Öffnungsmarkierung
- Integrierter Relocker zur Riegelblockierung bei Manipulation der Schlossdecke
- Standardabmessungen mit 3 Anschraubpunkten
- Riegel und Einfallhebel sind aus Druckguss. Die Umstellung wird über einen Umstellaktivator an der Schlossrückseite eingeleitet
- Eingabeeinheit Depravo K
- Maße (Durchmesser x T): 88*37,5 mm
- Bedienungsanleitung
- Bewährtes Sicherheitsschloss
- Zertifiziert nach EN 1300 in Klasse B
- 2 Schlüssel
- Zugriff nur mit Schlüssel
| MODELL | Außenmaße in mm | Innenmaße in mm | Inhalt | Gewicht | ||||
|---|---|---|---|---|---|---|---|---|
| Höhe | Breite | Tiefe *1 | Höhe | Breite | Tiefe | (L) | (kg) | |
| 5100 | 840 | 620 | 566 | 680 | 440 | 320 | 96 | 705 |
| 5150 | 1190 | 620 | 566 | 1030 | 440 | 320 | 145 | 935 |
| 5245 | 1380 | 710 | 621 | 1220 | 530 | 375 | 242 | 1280 |
| 5280 | 1530 | 710 | 621 | 1370 | 530 | 375 | 272 | 1325 |
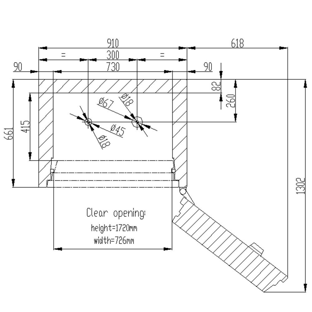
| 5535 | 1880 | 910 | 661 | 1720 | 730 | 415 | 521 | 1880 |
*1: Die bei den Außenmaßen angegebene Tiefe erhöht sich durch Griffarmatur und Schloss um 45 mm.
Lieferung und Montage
Alle Informationen zur Lieferung und Montage, sowie den eventuell anfallenden Kosten finden Sie
hier: Lieferung & Montage.
Sollten Sie noch Fragen haben kontaktieren Sie uns einfach unter unserer Kostenlosen Hotline oder unserem Kontaktformular: Beratung &
Service. Wir sind Ihnen gerne behilflich!
Hinweis: Wir arbeiten ausschließlich mit seriösen Spezialtransporteuren zusammen, sollten Sie also einen Sonderwunsch bei der Montage oder der Lieferung haben, treten Sie bitte einfach mit uns in Kontakt!
Merkmale
Bewertungen
Frage zum Artikel
Sie haben eine allgemeine Frage? Besuchen Sie doch einmal unsere Häufig gestellten Fragen
Verfügbare Größen
Alle Modelle dieser Produktreihe
Ähnliche Produkte
Weitere Tresore mit vergleichbaren Produkteigenschaften





